Cách đo nhiệt độ bằng cảm biến RTD [PT100, PT200, PT1000, …]
Trong bài viết này, chúng ta sẽ thảo luận về cách đo nhiệt độ bằng cảm biến RTD hiện nay, với đủ chi tiết để bạn có thể:
- Xem RTD là gì và chúng hoạt động như thế nào
- Tìm hiểu các loại RTD cơ bản hiện có và cách sử dụng chúng
- Hiểu cách RTD có thể được kết nối với hệ thống DAQ của bạn
Bạn đã sẵn sàng để bắt đầu chưa? Bắt đầu thôi!

Giới thiệu cảm biến RTD [PT100, PT200, PT1000, …]
Bạn có biết nhiệt độ là phép đo vật lý được ghi lại NHIỀU NHẤT không? Biết nhiệt độ là yếu tố quan trọng để mọi thứ từ cơ thể con người đến động cơ ô tô hoạt động chính xác và mọi thứ ở giữa.
Nhiệt độ được đo bằng các cảm biến nhiệt độ thích hợp . Có một số cảm biến nhiệt độ được sử dụng cho mục đích này và chúng tôi hỗ trợ tất cả:
- Cảm biến nhiệt điện
- Cảm biến RTD
- Cảm biến nhiệt điện trở
Trong bài viết này, chúng ta sẽ xem xét cụ thể cảm biến RTD, một trong những cảm biến nhiệt độ phổ biến nhất trên thế giới.
Cảm biến RTD là gì?
So với cặp nhiệt điện, RTD (Máy dò nhiệt độ điện trở) thường tuyến tính hơn và không bị trôi trong phạm vi đo của nó. Tuy nhiên, do hàm lượng bạch kim và cấu tạo phức tạp hơn nên chúng đắt hơn cặp nhiệt điện. RTD đôi khi cũng được gọi là “nhiệt kế điện trở”.

RTD được sử dụng rộng rãi trong các ứng dụng khoa học và phòng thí nghiệm, ứng dụng công nghiệp và ứng dụng sản xuất dược phẩm. Điểm chung giữa các ứng dụng này là độ chính xác và hiệu suất không trôi quan trọng hơn chi phí, đưa RTD lên trước cặp nhiệt điện trong việc lựa chọn loại cảm biến.
Nhưng chúng cũng được sử dụng nhiều trong các sản phẩm tiêu dùng. Có lẽ hiện tại có hàng chục cái trong nhà bạn, bên trong máy rửa chén, máy sấy quần áo, máy nướng bánh mì hoặc lò nướng bánh mì, bộ điều chỉnh nhiệt độ trên tường, máy điều hòa, tủ lạnh, tủ đông – thậm chí cả điện thoại di động của bạn! Tất nhiên, đây là những phiên bản rất nhỏ và rất rẻ của RTD.
Các loại cảm biến RTD
Có ba loại cấu trúc cảm biến RTD chính:
- RTD quấn dây
- RTD màng mỏng
- RTD dạng cuộn
Mỗi loại đều có ưu và nhược điểm. Chúng ta hãy cùng xem xét chúng.
RTD quấn dây
Cảm biến RTD quấn dây được làm bằng dây mỏng (dây điện trở sẽ thực hiện cảm biến) quấn quanh lõi không dẫn điện, thường được làm bằng gốm. Bạch kim, niken và đồng thường được sử dụng nhất cho dây điện trở vì mỗi loại đều có mối quan hệ nhiệt độ/điện trở rất tuyến tính và chính xác. Chúng tôi sẽ trình bày thêm về từng kim loại trong các đoạn tiếp theo.

Dây được cắt chính xác cho đến khi đạt được điện trở quy định ở 0°C. Điện trở này được gọi là điện trở “R0”. Điều quan trọng là dây điện trở không bị uốn cong hoặc xoắn khi nhiệt độ tăng vì ứng suất cơ học này sẽ gây ra sự thay đổi điện trở, làm méo mó phép đo.
Cấu trúc này tương đối mỏng manh, đó là lý do tại sao RTD thường được bảo vệ bằng lớp phủ thủy tinh và thậm chí được lắp đặt bên trong vỏ kim loại. Đây là bước chế tạo tiếp theo, cùng với việc gắn dây dẫn.
RTD màng mỏng
Cảm biến RTD màng mỏng được tạo thành từ một chất nền gốm mà trên đó một lớp màng platin rất mỏng được lắng đọng. Để bảo vệ cụm lắp ráp và màng, người ta thường phủ kính hoặc epoxy làm lớp phủ. Hầu hết các RTD màng mỏng chỉ hữu ích ở nhiệt độ lên đến 300°C, mặc dù một số cấu hình đặc biệt cho phép phạm vi cao hơn.
RTD màng mỏng có giá thành thấp hơn loại cuộn và loại quấn dây, do đó rất phổ biến trong các ứng dụng công nghiệp. Nhưng chúng không chính xác bằng các loại khác vì R0 không thể điều chỉnh chính xác. Chúng cũng dễ bị hiện tượng tự gia nhiệt hơn do kích thước nhỏ hơn.
RTD dạng cuộn
Trong cấu hình này, dây điện trở được tạo thành các cuộn dây rất nhỏ có thể giãn nở và co lại tùy theo sự thay đổi nhiệt độ. Điều này ngăn không cho ứng suất cơ học do nhiệt độ gây ra làm thay đổi điện trở và do đó ảnh hưởng đến phép đo. Các cuộn dây này được lắp bên trong thân gốm và sau đó được bao quanh bởi bột không dẫn điện.

RTD dạng cuộn rất phổ biến trong các ứng dụng công nghiệp. Chúng thường được lắp đặt bên trong vỏ kim loại để bảo vệ.
RTD đo nhiệt độ như thế nào
Không giống như cặp nhiệt điện là cảm biến thụ động, RTD hoạt động theo nguyên lý điện trở. Cần phải truyền một dòng điện nhỏ qua chúng để đo sự thay đổi điện trở. Do đó, bộ điều hòa tín hiệu của hệ thống DAQ cần cung cấp nguồn điện hoặc “kích thích” cho cảm biến này để đọc đầu ra.
RTD hoạt động theo nguyên tắc rằng một số kim loại có mối quan hệ cực kỳ ổn định và chính xác giữa điện trở và nhiệt độ. Đồng có tỷ lệ điện trở so với nhiệt độ tốt nhất, tuy nhiên, nó không hoạt động tốt ở nhiệt độ cao như RTD bạch kim.
R v. T
Nói cách khác, lượng thay đổi điện trở quan sát được trên mỗi thay đổi nhiệt độ là rất tuyến tính và có thể lặp lại. Điều này cũng được gọi là hệ số nhiệt độ của điện trở.
Bằng cách đo sự thay đổi điện trở này, chúng ta có thể đo được sự thay đổi nhiệt độ. Các kim loại khác nhau cung cấp độ chính xác khác nhau, cũng như phạm vi hoạt động nhiệt độ khác nhau.
| RTD Type | Max Measuring Range | Stability | Corrosion Resistance | Column BR vs T Linearity |
|---|---|---|---|---|
| Platinum | -200 to 850°C | Excellent | Excellent | Good |
| Nickel | -80 to 260°C | Fair | Good | Fair |
| Copper | -200 to 260°C | Good | Fair | Excellent |
So sánh cấp cao nhất của ba loại RTD chính
Tỷ lệ điện trở của RTD là bao nhiêu?
Độ dốc của sự thay đổi điện trở so với sự thay đổi nhiệt độ được gọi là tỷ số điện trở. Cụ thể, đó là độ dốc trung bình trên sự thay đổi từ 0°C (R0) đến 100°C (R100). Điều này được viết như sau:
Kim loại cụ thể mà chúng ta chọn – bạch kim, niken hoặc đồng – có ảnh hưởng lớn nhất đến tỷ lệ điện trở. Nhưng độ tinh khiết của chính kim loại cũng là một yếu tố. Ví dụ, RTD được sử dụng trong các ứng dụng khoa học sử dụng tiêu chuẩn bạch kim tinh khiết nhất, trong khi RTD được sử dụng trong các ứng dụng công nghiệp không yêu cầu độ chính xác cao, có thể sử dụng bạch kim ít tinh khiết hơn một chút.
| RTD Type | Resistance @ 0°C (typ.) | Resistance @ 100°C (typ.) | Resistance Ratio | Alpha (α) |
|---|---|---|---|---|
| Platinum | 100 Ω | 138.5 Ω | 0.385 | 0.00385 |
| Nickel | 120 Ω | 200.64 Ω | 0.672 | 0.00672 |
| Copper | 9.035 Ω | 12.897 Ω | 0.427 | 0.00427 |
So sánh điện trở và Alpha
Tỷ lệ điện trở của bạch kim đặc biệt rộng, đó là lý do tại sao chúng có phạm vi đo rộng hơn so với niken hoặc đồng.
Hằng số “Alpha” (α) chỉ đơn giản là tỷ số điện trở chia cho 100.
Mô hình RTD
Bạch kim là lựa chọn phổ biến nhất trong RTD, vì vậy bạn sẽ thấy các tham chiếu đến các mẫu RTD như cảm biến PT100 (hoặc đầu dò pt100) . “PT” là viết tắt của “platinum” (bạch kim), và 100 Ω là điện trở ở 0°C (đây là “$R_{0}$”). PT100 Platinum RTD là RTD phổ biến nhất trên thị trường hiện nay.
- PT – Bạch kim
- 100 – Giá trị $R_{0}$
Ngoài ra còn có model PT1000, có điện trở danh nghĩa gấp 10 lần ở 100°C. Đầu ra từ cảm biến cũng cao hơn. Và trong khi model PT100 có nhiều loại (dây quấn và màng mỏng), model PT1000 thường chỉ có loại màng mỏng.

Là tiêu chuẩn thực tế, PT100 tương thích với rất nhiều loại thiết bị và ứng dụng. Tuy nhiên, PT1000 có những ưu điểm. Ví dụ, chúng tốt hơn khi dây dẫn rất dài, do điện trở cao hơn. Điện trở cao hơn cũng có nghĩa là ít tự làm nóng hơn và tiêu thụ ít điện năng hơn, lý tưởng cho các ứng dụng chạy bằng pin.
Cần lưu ý rằng có một model PT500 , trong đó 500 Ω là điện trở ở 0°C. Nhưng nó tương đối hiếm so với PT100 hoặc PT1000. Ngoài ra còn có model PT2000 với R0 là 2 kΩ ở 0°C.
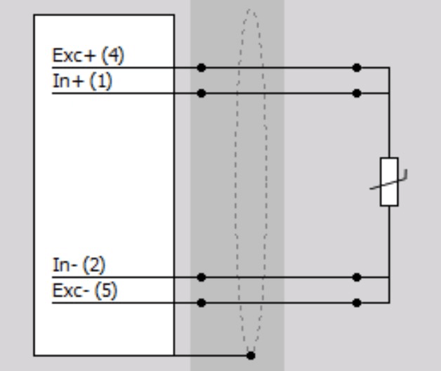
Phương pháp đấu dây RTD
Mặc dù về bản chất, RTD là cảm biến 2 dây, nhưng việc bổ sung thêm một hoặc thậm chí hai dây nữa (kết nối 3 và 4 dây) sẽ bù trừ tốt hơn cho hiện tượng tự làm nóng và điện trở dây dẫn, do đó rất được khuyến khích. Vì vậy, mặc dù có thể kết nối 2 dây, nhưng bộ điều hòa tín hiệu Dewesoft hỗ trợ tốt nhất cho kết nối 3 và 4 dây để cung cấp độ chính xác tốt nhất có thể.

Trong một kết nối 3 dây thông thường, đầu ra của RTD được kết nối với chân 1 (In+) và 2 (In-) của bộ điều hòa tín hiệu. Kích thích dương (Exc+) được áp dụng từ chân 4, chạy xuyên suốt cáp cảm biến đến RTD. Kích thích âm (Exc-) được nối giữa chân 2 và 5 tại hệ thống DAQ . Cống từ tấm chắn cáp chỉ được kết nối với bộ điều hòa tín hiệu để tránh vòng lặp nối đất.
Do đó, cáp cảm biến này phải có ba dây và một lớp chắn bện hoặc lá kim loại.

Kết nối 4 dây tương tự, ngoại trừ cả hai đường kích thích dương và âm chạy xuyên suốt cáp đến RTD. Phương pháp này cung cấp hiệu suất tốt nhất có thể về mặt loại bỏ điện trở dây dẫn và lỗi tự làm nóng.
Do đó, cáp cảm biến này phải có bốn dây và một lớp chắn bện hoặc lá kim loại.
Tiêu chuẩn độ chính xác DIN RTD
Độ chính xác phổ biến được chấp nhận cho RTD là đường cong chuẩn DIN. Đường cong này dựa trên tỷ lệ R v. T của cảm biến PT100. Tiêu chuẩn này chỉ định điện trở cơ sở là 100 Ω ở 0°C với Alpha (α) là 0,00385.
| The temperature in degrees C | Resistance |
|---|---|
| 0 | 100.00 |
| 10 | 103.90 |
| 20 | 107.79 |
| 30 | 111.67 |
| 40 | 115.54 |
| 50 | 119.40 |
| 60 | 123.24 |
| 70 | 127.07 |
| 80 | 130.89 |
| 90 | 134.70 |
| 100 | 138.50 |
RTD theo tiêu chuẩn DIN có ba cấp dung sai tiêu chuẩn:
| DIN Class | Tolerance |
|---|---|
| Class A | ±(0.15 + 0.002 |T|°C) |
| Class B | ±(0.3 + 0.005 |T|°C) |
| Class C | ±(1.2 + 0.005 |T|°C) |
Khi nào nên chọn bạch kim, niken hoặc đồng?
Ba loại kim loại chính của RTD được chọn như thế nào và tại sao? Bảng này hiển thị các ứng dụng chính của RTD bạch kim, niken và đồng.
| Loại RTD | Ứng dụng chính |
|---|---|
| Bạch kim | Ứng dụng khoa học và dược phẩm (sử dụng bạch kim cấp phòng thí nghiệm) Ứng dụng công nghiệp (sử dụng tiêu chuẩn IEC 60751) Ứng dụng yêu cầu phạm vi nhiệt độ rộng nhất |
| Niken | Các ứng dụng nhạy cảm với giá như HVAC, sản phẩm tiêu dùng (máy sấy tóc, máy sấy quần áo, máy rửa chén, v.v.). (Các ứng dụng dưới 300° C, khi niken ngày càng trở nên phi tuyến tính) |
| Đồng | Hầu hết các ứng dụng công nghiệp, đặc biệt là các ứng dụng cơ điện như động cơ điện, cuộn dây, máy phát điện, vì đồng có cùng đặc điểm với các đối tượng thử nghiệm này. Các ứng dụng yêu cầu tính tuyến tính vốn có tốt nhất trên một phạm vi nhiệt độ hẹp |
Ứng dụng của kim loại RTD
Thế giới rộng lớn của các ứng dụng RTD
Có hàng ngàn ứng dụng sử dụng RTD trên toàn thế giới, nhưng sau đây chỉ là một vài ví dụ:
- Ô tô: nhiệt độ khối động cơ, cảm biến nạp khí, nhiệt độ chất làm mát, nhiệt độ không khí bên ngoài, hệ thống kiểm soát khí hậu, nhiệt độ dầu
- Chế biến thực phẩm: theo dõi nhiệt độ trong quá trình sản xuất và lưu trữ, theo dõi hàng dễ hỏng khi vận chuyển
- Dược phẩm: theo dõi nhiệt độ trong quá trình sản xuất và lưu trữ
- HVAC: giám sát nhiệt độ không khí, phát hiện cháy, kiểm soát khí hậu tự động
- Hàng không vũ trụ: Nhiệt độ động cơ, nhiệt độ chất làm mát, nhiệt độ máy nén, giám sát bình nhiên liệu, thiết bị kiểm soát hỏa hoạn
- Công nghiệp: Nhiệt độ máy, động cơ điện, cuộn dây, máy phát điện, bù nhiệt điện trở (CJC), lò nướng, đo công suất vi sóng
- Y tế: Máy ấp trẻ sơ sinh, thiết bị hô hấp, máy lọc máu
- Truyền thông: Giám sát bộ khuếch đại, bù nhiệt độ máy phát
- Máy tính: Giới hạn dòng điện đột biến
- Khoa học và Phòng thí nghiệm: Nghiên cứu trên tất cả các lĩnh vực nghiên cứu
- Sản phẩm tiêu dùng: máy pha cà phê, điện thoại di động, trạm thời tiết gia đình, bộ pin, máy nướng bánh mì, máy điều nhiệt, máy nước nóng, tủ lạnh và tủ đông, máy rửa chén, máy giặt và máy sấy quần áo, máy điều hòa không khí, chăn điện
Thách thức và giải pháp đo RTD
Như đã đề cập, việc kết nối RTD phức tạp hơn so với cặp nhiệt điện, các sản phẩm Data logger và DAQ của Graphtec như GL860, GLT400, hay phiên bản DAQ GL7000 giúp kết nối cảm biến.
Tiếng ồn luôn là một yếu tố cần cân nhắc đối với bất kỳ cảm biến nào có đầu ra nhỏ, nhưng đầu vào cách ly cao của Graphtec là biện pháp phòng ngừa tốt nhất có thể.
Một cách khác để giảm nhiễu là đặt hệ thống đo càng gần cảm biến càng tốt. Tránh các đường tín hiệu dài là một chiến lược đã được chứng minh để tối đa hóa độ trung thực của tín hiệu và giảm chi phí.
Ưu điểm của cảm biến RTD
- Ổn định nhất
- Chính xác nhất
- Tuyến tính hơn cặp nhiệt điện
Nhược điểm của RTD
- Đắt hơn cặp nhiệt điện hoặc nhiệt điện trở
- Công suất cảm biến yêu cầu
- Phạm vi đo hẹp hơn
- Điện trở tuyệt đối thấp
- Tự làm nóng phải được bù đắp
So sánh cơ bản: cặp nhiệt điện, RTD và nhiệt điện trở
So sánh cơ bản: cặp nhiệt điện, RTD và nhiệt điện trở
| Sensor | Thermistor | Thermocouple | RTD (Pt100) |
|---|---|---|---|
| Temperature Range1 | Narrowest(-40°C to 300°C) | Widest Type J is -210 to 1200°C Type K is 95 to 1260°C Other types can range as low as -330°C OR as high as 3100°C | Narrow -200- to 600°CUp to 850°C is possible |
| Response | Fast | Medium to Fast Depends on sensor size and construction | Slow Depends on sensor size and construction |
| Long Term Stability | Poor | Very Good | Best(±0.5°C to ±0.1°C / year) |
| Accuracy | Fair | Good | Better0.2%, 0.1% and 0.05% |
| Linearity | Exponential | Non-linear This is usually done in software | Fairly Good But linearization is recommended |
| Construction | Fragile | Adequate Sheaths and tubes improve fragility but increase response time | FragileSheaths and tubes improve fragility but increase response time |
| Size | Very small | Small | Larger |
| Wiring | Very simple | Simple | Complex |
| Excitation/Power Required | None | None | Required |
| External Requirements | None | CJC (cold junction compensation) and signal linearization | RTD signal conditioner |
| Cost | Lowest Low-accuracy types are very inexpensive, but there are some which are more accurate and more expensive. | LowR and S types that use platinum are more expensive | Highest |






